欢迎来到半岛平台网站登录入口_半岛(中国)!

产品 中心

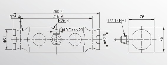
DTQ-5桥式传感器

产品简介:

DTQ-5型桥式传感器,为双剪切梁结构,两端配有浮动轴力机构,抗侧向能力、冲击力强,精度高,性能稳定可靠,良好的密封,适应恶劣工作环境,安装方便。 可用于制作各种电子汽车衡、
  • 组成部分
  • 分布图
  • 技术参数

主 要 技 术 指 标Main Description

测量范围Capacity

40、50、65、75

kg

 输出灵敏度Rated Output

3.0±0.010

mV/V

 非线性Linear

±0.03

%F.S

 滞后Hysteresis

±0.03

%F.S

 重复性Reapeatability

±0.01

%F.S

 蠕变Creep

±0.03

%F.S

 零点输出Zero Balance

±1.0

%F.S

 温度补偿范围 Conpensated Temperature Range

室温~+60

 零点温度补偿系数Temperature Effect On Zero

±0.03

%F.S/10 

 额定输出温度系数 Temperature Effect On Output

±0.03

%F.S/10 

 供桥电压 Excitation Voltage

10V

AC/DC

 绝缘电阻Insulation Resistence

5000

MΩ/100VDC

 输入电阻 Input Resistence

770±8

Ω

 输出电阻Output Resistence

700±2

Ω

 允许过载系数Safe Overload

120

%F.S

电缆连接方式Cable Connection

信号输出Singal Output 黄:Yellow (+) 黑:Black (-)

供桥电压Excitation Voltage Red: (+) 绿Green (-)

在线订购