欢迎来到半岛平台网站登录入口_半岛(中国)!

产品 中心

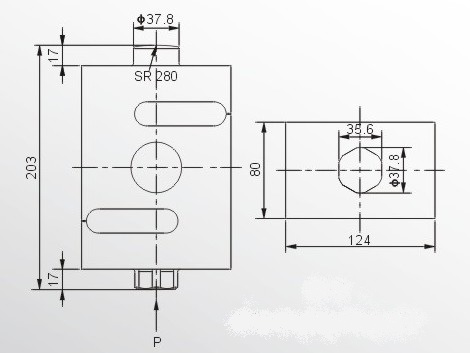
DTS-3称重传感器

产品简介:

DTS-3“S”型称重传感器,承载方式为压,具有过载保护作用,防水、防尘等级 到达IP68,安装容易,使用方便,适用于制作各种电子汽车衡、动态轨道衡、大吨 位料斗秤等衡器。
  • 组成部分
  • 分布图
  • 技术参数

     Main Description

输出灵敏度Rated Output

2.0±0.010

mV/V

非线性Linear

±0.02

%F.S

滞后Hysteresis

±0.02

%F.S

重复性Reapeatability

±0.01

%F.S

蠕变Creep

±0.02

%F.S

零点输出Zero Balance

≤±1.0

%F.S

温度补偿范围 Conpensated Temperature Range

室温~+60

零点温度补偿系数Temperature Effect On Zero

±0.02

%F.S/10 ℃

额定输出温度系数 Temperature Effect On Output

±0.02

%F.S/10 ℃

供桥电压 Excitation Voltage

10V

AC/DC

绝缘电阻Insulation Resistence

≥5000

MΩ/100VDC

输入电阻 Input Resistence

385±10

Ω

输出电阻Output Resistence

350±2

Ω

允许过载系数Safe Overload

120

%F.S

电缆连接方式Cable Connection

信号输出Singal Output: 黄:Yellow (+) 黑:Black (-)

供桥电压Excitation Voltage: 红Red: (+) 绿Green: (-)

在线订购