欢迎来到半岛平台网站登录入口_半岛(中国)!

产品 中心

DTL-3轮辐式传感器

产品简介:

DTL-3轮辐式低外形传感器,弹性体采用不锈钢制作,抗侧向能力强,密封采用氩弧焊接,防潮、防尘,适应在恶劣的环境中工作,适用于制作各种料罐秤、压力称重设备。
  • 组成部分
  • 分布图
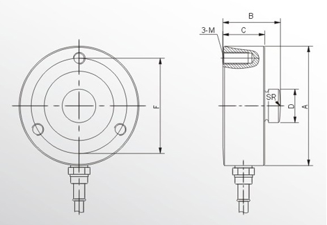
  • 技术参数

量程

尺寸mm

t

A

B

C

D

F

SR

M

2.5~15Se

82.0

44.0

31.0

22.0

70.0

120.0

M8

15~30Se

100.0

48.5

35.0

28.0

80.0

120.0

M10

30

126.0

54.0

40.0

35.0

90.0

120.0

M12

     Main Description

测量范围Capacity

0.1~7.5、10~25、50、60~100

0.2~15、25~50、100、150~200

kg

输出灵敏度Rated Output

2.0±0.010 4.0±0.010

mV/V

非线性Linear

±0.03

%F.S

滞后Hysteresis

±0.03

%F.S

重复性Reapeatability

±0.03

%F.S

蠕变Creep

±0.02

%F.S

零点输出Zero Balance

≤±1.0

%F.S

温度补偿范围 Conpensated Temperature Range

室温~+60

零点温度补偿系数Temperature Effect On Zero

±0.02

%F.S/10 ℃

额定输出温度系数 Temperature Effect On Output

±0.02

%F.S/10 ℃

供桥电压 Excitation Voltage

10V

AC/DC

绝缘电阻Insulation Resistence

≥5000

MΩ/100VDC

输入电阻 Input Resistence

385±10 765±10

Ω

输出电阻Output Resistence

350±2 700±5

Ω

允许过载系数Safe Overload

120

%F.S

电缆连接方式Cable Connection

信号输出Singal Output: 黄:Yellow (+) 黑:Black (-)

供桥电压Excitation Voltage: 红Red: (+) 绿Green:(-)

在线订购